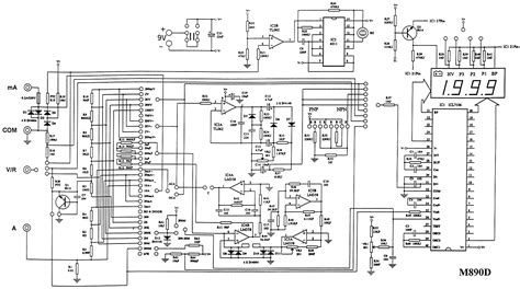
ICL7107 Circuit Diagram Explained

T.Baptistmissionaustralia 109 views
ICL7107 Circuit Diagram Explained

The ICL7107 Circuit Diagram: Your Ultimate Guide

Hey guys! Today, we’re diving deep into the ICL7107 circuit diagram . If you’ve ever wondered how those cool digital displays on multimeters or other gadgets work, chances are an ICL7107 or a similar chip is involved. This little powerhouse is a 3- 1 2 digit auto-ranging analog-to-digital converter (ADC), and understanding its circuit diagram is key to using it effectively in your own projects. Whether you’re a seasoned electronics hobbyist or just starting out, this guide will break down the ICL7107 circuit diagram in a way that’s easy to grasp. We’ll cover the essentials, the common hookups, and what makes this chip so versatile. Get ready to demystify this essential component!

Understanding the ICL7107 Chip

Alright, let’s get down to brass tacks with the ICL7107 circuit diagram and the chip itself. The ICL7107 is a fantastic piece of engineering. It’s a monolithic CMOS chip that essentially takes an analog signal (like a voltage from a sensor) and converts it into a digital readout that you can see on a display, usually an LED display. Think of it as the brain behind the numbers you see on your multimeter. It’s an auto-ranging converter, which is a super handy feature. This means it can automatically detect the range of the input signal and adjust itself accordingly, so you don’t have to manually switch settings. This makes it incredibly user-friendly, especially for beginners. The ‘3- 1 2 digit’ part means it can display numbers from -1999 to +1999. That extra half-digit gives it a bit more resolution, allowing it to display numbers like 1.999V instead of just 1.99V. This level of precision is crucial in many measurement applications. The core technology inside the ICL7107 is dual-slope integration, a method that’s known for its accuracy and good noise rejection. This means it’s less likely to give you wonky readings due to electrical interference. When you look at the ICL7107 circuit diagram, you’ll notice it has quite a few pins. Each pin has a specific job, from connecting the analog input and reference voltages to controlling the display segments and digits. We’ll get into the specifics of these connections shortly, but it’s important to appreciate that the chip itself is doing all the heavy lifting – the amplification, the integration, the comparison, and the multiplexing needed to drive the display. It’s a self-contained ADC solution that has made countless electronic instruments more accessible and affordable. Its design prioritizes simplicity in external component count, which is always a win for hobbyists trying to keep their projects neat and tidy. The low power consumption of CMOS technology also means it’s great for battery-powered devices. So, before we even get to the circuit diagram, know that the ICL7107 is a robust, accurate, and versatile component that forms the heart of many measurement devices.

Key Components of an ICL7107 Circuit Diagram

Now, let’s break down the ICL7107 circuit diagram and the essential components you’ll typically find connected to it. Understanding these will make building or troubleshooting your own ICL7107 circuits a breeze. The ICL7107 chip itself is the star, of course. It has pins for analog inputs (like V+ and V- for the signal you want to measure), a reference voltage input (REF HI and REF LO, which sets the maximum value the display can show), and pins for the display segments (A through G, DP for decimal points). You’ll also see pins for digit selection (usually labeled D1, D2, D3, D4). A crucial part of any ICL7107 circuit is the clock circuit . The ICL7107 needs a clock signal to perform its conversion. This is usually created with just a few external components: a resistor and a capacitor. The frequency of this clock determines how fast the ICL7107 converts and updates the display. A common setup uses a capacitor connected to the OSC pins, along with a resistor, to set this frequency. You’ll also need a few reference components . These are vital for accurate measurements. Typically, you’ll connect resistors and a Zener diode or a precision voltage reference IC to the REF HI and REF LO pins. This reference voltage is what the ICL7107 compares the input signal against. If your reference voltage is stable and accurate, your measurements will be too. Don’t forget the display drivers . The ICL7107 is designed to drive common-cathode LED displays directly. This means you connect the segment pins (A-G) and the digit pins (D1-D4) to the corresponding pins on your LED display. Sometimes, you might need current-limiting resistors for the LED segments, although the ICL7107 has some built-in drive capability. Finally, there are passive components like capacitors and resistors scattered throughout the circuit. These are used for filtering, setting gain (if you’re measuring small signals), and stabilizing the various stages within the ICL7107. For example, you’ll often see a capacitor connected to the capacitor input pin (CAP), which is used in the dual-slope integration process. A small capacitor might also be used for decoupling the power supply pins to ensure clean power. When you’re looking at a specific ICL7107 circuit diagram, pay close attention to the values of these components, as they are critical for the correct operation and calibration of the circuit. Getting these right ensures your measurements are accurate and your display shows what it’s supposed to.

Connecting the ICL7107 to an LED Display

One of the most common tasks when working with the ICL7107 circuit diagram is connecting it to an LED display. The ICL7107 is specifically designed to drive common-cathode LED displays, making this process relatively straightforward. Let’s break down how it’s done, guys. First off, you need to identify the pins on both the ICL7107 and your LED display. The ICL7107 has pins labeled A, B, C, D, E, F, G, and DP. These correspond to the segments of the LED display. Think of the display like a bunch of individual LEDs arranged to form numbers. The segments A through G form the main parts of each digit (like the top bar, middle bar, bottom bar, etc.), and DP is for the decimal point. The ICL7107 also has pins for selecting which digit is currently active – typically D1, D2, D3, and D4. You’ll connect these digit select pins to the common cathode pin of each digit on your LED display. For example, D1 might control the first digit on the left, D2 the second, and so on. The order is important! Now, for the segments. Each segment (A-G, DP) on the ICL7107 needs to be connected to the corresponding segment pin on all the digits. This is called multiplexing. The ICL7107 cleverly turns on one digit at a time and activates the correct segments for that digit, creating the illusion that all digits are on simultaneously. So, pin A on the ICL7107 connects to the ‘A’ segment pin on digit 1, digit 2, digit 3, and digit 4. The same applies to pins B through G and DP. It’s vital to ensure your LED display is common-cathode . If you have a common-anode display, you’ll need a different chip (like the ICL7106, which is designed for LCDs, or you’d need additional driver circuitry). A common pitfall is connecting the pins incorrectly, which can lead to a non-functional display or even damage to the chip. Always double-check your wiring against the ICL7107 circuit diagram and the datasheet for your specific LED display. Some designers include small current-limiting resistors (typically 220-470 ohms) in series with each segment pin from the ICL7107. While the ICL7107 can drive LEDs directly, these resistors provide an extra layer of protection and can help ensure consistent brightness across all segments, especially if your LED display has slightly different forward voltage characteristics. When wiring, keep the leads short and neat to minimize noise and interference. A well-connected display is crucial for clear and accurate readings from your ICL7107 project. So, take your time, verify your connections, and you’ll have a brilliant display showing off your measurements in no time!

Building a Simple Voltmeter with the ICL7107

Let’s put theory into practice, guys! Building a simple voltmeter using the ICL7107 circuit diagram is a classic project and a fantastic way to learn. This is where you really see the magic happen. First, you’ll need the ICL7107 chip itself, a suitable LED display (common-cathode, remember!), a power source (usually a 5V or 9V battery), and a handful of passive components – resistors and capacitors. We also need a voltage reference. For a basic voltmeter, a simple Zener diode circuit or a dedicated voltage reference IC can work. The ICL7107 has pins for its power supply (V+ and V-). Connect these to your power source, making sure to observe polarity. It’s good practice to add a decoupling capacitor (like 0.1uF) across these power pins to filter out any noise. Next, set up the clock circuit. Connect a resistor (often around 100k ohms, but check the datasheet or a reference circuit) and a capacitor (typically 0.1uF) to the OSC pins (often labeled CLK and OSC). This sets the conversion rate. Now for the input. The ICL7107 has two main analog input pins: COM (common) and a differential input pair (usually labeled AIN1 and AIN2, or similar). For a voltmeter, you’ll typically connect the positive voltage you want to measure to AIN1 and the negative or ground reference to AIN2. The COM pin is often connected to the reference voltage’s negative terminal or ground. Crucially, you need to connect the reference voltage inputs (REF HI and REF LO). A common setup is to use a Zener diode (like a 5.1V or 5.6V Zener) connected between REF HI and REF LO, with a current-limiting resistor from V+ to REF HI. The REF LO pin is usually connected to ground (or COM). This sets the full-scale reading. If REF HI is 5V and REF LO is 0V, the display will read ‘1999’ when the input voltage reaches 5V (or a fraction of it, depending on scaling resistors). Speaking of scaling, if you want to measure higher voltages, you’ll need to add a voltage divider using resistors at the input. For example, to measure up to 20V, you might create a voltage divider that scales the input voltage down to the ICL7107’s measurement range (e.g., 0-2V). You’ll need to calculate the resistor values carefully based on your desired full-scale range and reference voltage. Finally, connect the segment and digit pins of the ICL7107 to your common-cathode LED display as we discussed earlier. Don’t forget the decimal point connections if you want to use them! Once everything is wired up according to the ICL7107 circuit diagram, apply power. The display should light up, and if you connect a voltage source to the input, you should see the corresponding reading. Calibration might be necessary , usually by adjusting the reference voltage or trimming resistor values until the display reads accurately against a known, reliable voltage source. It’s a rewarding project that brings the abstract concept of the ICL7107 circuit diagram to life!

Tips for Success with the ICL7107 Circuit Diagram

So, you’ve been looking at the ICL7107 circuit diagram , maybe you’ve even started building! To help you nail it, here are some pro tips, guys, that’ll make your life a whole lot easier and ensure your project works like a charm. First and foremost, always use the datasheet . Seriously, the datasheet for the ICL7107 is your bible. It contains the pinouts, recommended component values, typical circuit configurations, and crucial operating parameters. Don’t just guess; consult the datasheet. Pay special attention to the recommended component values for the clock circuit and the reference voltage divider – these are critical for accurate readings. Double-check your wiring, and then double-check it again. This is probably the most common source of problems. Ensure you’ve got the correct pins connected, especially the analog inputs, reference voltages, and the display segments and digits. Remember, common-cathode displays are key for the ICL7107. Mixing up segment and digit pins, or getting the polarity wrong on your power supply, will lead to frustration. Keep analog and digital grounds separate if possible, or at least ensure a solid single-point ground connection. This helps minimize noise, which can significantly affect the accuracy of your measurements. Noise is the enemy of precise voltage readings! When soldering, use a good quality soldering iron and solder. Make sure you have a steady hand and avoid creating solder bridges between adjacent pins. A clean build makes troubleshooting infinitely easier. Consider the power supply. The ICL7107 can run on a range of voltages, but ensure your power supply is clean and stable. Add bypass capacitors (e.g., 0.1uF ceramic) close to the power pins of the ICL7107 to filter out any power supply ripple. If you’re building a sensitive measurement device, you might even need a more regulated power supply. Don’t forget about component placement . Keep the analog input circuitry and the reference voltage circuitry as far away as possible from noisy digital components or switching power supplies. Shorter leads on components, especially around the analog inputs and the clock circuit, can also help reduce noise pickup. Calibration is essential for accuracy. Even with a perfect ICL7107 circuit diagram, component tolerances mean your device might not be perfectly accurate out of the box. Use a calibrated multimeter or voltage standard to check your readings and make adjustments. This might involve tweaking the reference voltage or slightly adjusting resistor values in a voltage divider. Finally, if you get stuck, don’t hesitate to search online forums and communities. Many people have built similar projects, and you can often find solutions to common problems or get advice from experienced builders. The ICL7107 is a popular chip, so there’s a wealth of shared knowledge out there. By following these tips, you’ll be well on your way to successfully implementing the ICL7107 circuit diagram in your own projects, guys!

Conclusion

There you have it, folks! We’ve journeyed through the ICL7107 circuit diagram , demystifying its core components, how to connect it to an LED display, and even how to build a basic voltmeter. This versatile 3- 1 2 digit ADC chip remains a staple in hobbyist electronics for good reason: it offers accuracy, ease of use, and a direct path to a clear digital readout. By understanding the roles of the clock circuit, reference voltages, and display drivers, you’re now equipped to tackle your own ICL7107 projects. Remember to always refer to the datasheet, double-check your wiring, and keep noise to a minimum for the best results. Whether you’re creating a custom multimeter, a temperature display, or any other project that requires analog-to-digital conversion, the ICL7107 is a reliable and rewarding chip to work with. Happy building!